V.16 (2026)
ISSN: 2306-823X
Recibido: 1/12/2025/Aceptado: 19/1/2026
Arquitectura half-bridge bidireccional no aislado para sistema de almacenamiento híbrido en microrred fotovoltaica: evaluación en PSIM
Non-Isolated Bidirectional Half-Bridge Architecture for Hybrid Energy Storage System in Photovoltaic Microgrids: Evaluation in PSIM
Nancy Reynosa Casas nancyreynosa6@gmail.com (1)
https://orcid.org/0009-0002-6047-0592
Yusbel Llorrente Cutiño rentecutinoyusbel@gmail.com (2)
https://orcid.org/0009-0004-6625-1096
Christian E. Borges Alvarez christianborges696@gmail.com (1)
https://orcid.org/0009-0000-5215-9812
Yilena Paumier Leyva ypaumierl@ismm.edu.cu (1)
https://orcid.org/0009-0002-5858-3483
Osmany R. Pérez Aballe* opaballe@ismm.edu.cu (1)
https://orcid.org/0000-0001-6425-071X
(1) Universidad de Moa, Moa, Cuba (2) Empresa Eléctrica, Sagua de Tánamo, Cuba
* Autor para la correspondencia
Resumen: Se presenta el diseño y la simulación en el software para la electrónica de potencia PSIM de un convertidor DC–DC bidireccional tipo puente completo para integrar un sistema híbrido de almacenamiento de energía en una microrred fotovoltaica. El objetivo es gestionar el flujo de potencia entre las fuentes y los almacenadores para suavizar transitorios, reducir el estrés de corriente en la batería y mantener niveles de tensión adecuados en el bus DC. Dadas las limitaciones de la versión de evaluación del programa de simulación de circuitos, se emplean elementos equivalentes para reproducir el comportamiento cuasi‑estacionario del arreglo fotovoltaico, del banco de baterías y del módulo de supercondensadores. Se analizan siete escenarios de operación representativos (carga/descarga en ambas direcciones, soporte del supercondensador, y transferencia desde/hacia la generación), evaluando tensiones y corrientes clave. Los resultados muestran bidireccionalidad efectiva y capacidad de desacoplo de potencia de alta frecuencia por parte del supercondensador, con implicaciones positivas sobre la vida útil de la batería. Se incluye, además, una estimación de costes a nivel de prototipo y se discuten limitaciones y trabajo futuro orientado a control dinámico y validación experimental.
Palabras clave: convertidores eléctricos, equipamiento electrónico, energía eléctrica
Key words: electrical converters, electric power, electronic equipment
1. Introducción
La penetración creciente de fuentes renovables variables en microrredes exige soluciones de almacenamiento que permitan acoplar generación y demanda, mitigando la intermitencia y los picos de potencia (Faisal et al., 2018). En este contexto, los sistemas híbridos de almacenamiento (HESS) combinan dispositivos de alta energía específica (baterías LFP) con dispositivos de alta potencia específica (supercondensadores), de modo que cada tecnología opere cerca de su zona óptima (Ramos et al., 2022; Wang et al., 2022). El supercondensador atenúa transitorios y pulsos de corriente, mientras que la batería suministra la energía media, reduciendo sus ciclos de carga/descarga de alta amplitud y, por ende, su degradación (Tremblay & Dessaint, 2009; Zhang et al., 2017; Zubieta & Bonert, 2000; Eaton, 2023; Winston Battery, 2024; Pérez-Aballe et al., 2025).
Para explotar estas ventajas es imprescindible un convertidor DC–DC bidireccional capaz de dirigir el flujo de energía desde la fuente fotovoltaica hacia el bus DC y los almacenadores, así como entre los propios almacenadores, en ambos sentidos (carga/descarga) (Mohan et al., 2003; Ardi et al., 2014; Erickson & Maksimović, 2020; Sutikno et al., 2023). El presente trabajo aborda el diseño y la simulación de un convertidor half-bridge bidireccional que interconecta el bus DC con el bloque de baterías y con el módulo de supercondensadores.
Para este trabajo, el programa de simulación de circuitos (PSIM) resulta especialmente pertinente por estar orientado a electrónica de potencia, con modelos conmutados y promedio, bloques de control (modulación de ancho de pulso PWM, comparadores, PI) y fuentes dependientes que reproducen con rapidez y estabilidad el comportamiento de un half-bridge bidireccional y el intercambio de energía batería–supercondensador; además, facilita fijar condiciones iniciales, realizar barridos paramétricos y medir variables clave (iL, Vbus, VSC), lo que encaja con el enfoque cuasi-estacionario por escenarios adoptado y, por su velocidad de simulación frente a entornos multipropósito, lo hace idóneo para diseño preliminar y validación de concepto en microrredes DC con HESS (Powersim, 2022).
En este marco, el estudio se centra en escenarios representativos, considerando las restricciones de la versión de evaluación, para: (I) verificar la bidireccionalidad y la continuidad del flujo de potencia, (II) observar el papel del supercondensador en la amortiguación de transitorios, y (III) establecer bases de dimensionado para inductancia, capacidad y semiconductores, apoyándose en criterios clásicos de diseño y notas de aplicación de drivers de compuerta (Infineon Technologies, 2017; Erickson & Maksimović, 2020; Powersim, 2022).
Contribuciones: (1) Síntesis de requisitos y topología half-bridge adecuada para HESS en microrred PV (Lin et al., 2013; Ardi et al., 2014; Liu et al., 2016; Tuluhong et al., 2025); (2) modelo de simulación en PSIM con equivalentes prácticos que permiten explorar siete escenarios de operación (Powersim, 2022); (3) análisis comparativo de tensiones y corrientes que evidencia la descarga/recarga rápida del supercondensador y la consecuente reducción del esfuerzo sobre la batería (Zubieta & Bonert, 2000); (4) estimación de coste de prototipo y discusión de limitaciones y trabajo futuro, apoyadas en criterios de diseño de convertidores y manejo práctico de drivers de compuerta.
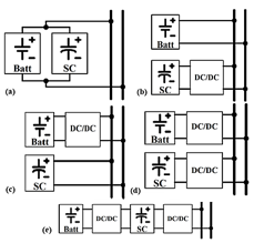
Los HESS batería–supercondensador como se muestra e la figura 1, se suelen clasificar en pasivos, semi-activos y activos según el grado de acondicionamiento electrónico y control disponible (Sutikno et al., 2023). Esta taxonomía se vincula con el reparto de potencia, el estrés en la batería y la eficiencia global del sistema (Mohan et al., 2003).
ESS pasivo (Figura 1a): baterías y supercondensadores (SC) conectados directamente al bus DC, sin convertidores dedicados. Es la opción más simple y económica, pero el reparto de potencia depende de las impedancias internas y del estado de carga, lo que puede provocar picos de corriente y pérdidas por desajuste, acelerando el envejecimiento de la batería y reduciendo la eficiencia (Faisal et al., 2018). El SC atenúa transitorios por su baja ESR, aunque sin control activo fino (Tshiani & Umenne, 2022).
Semi-activos: uno de los almacenadores se conecta mediante un convertidor bidireccional, permitiendo cierto control del flujo y de las tensiones/corrientes (Sutikno et al., 2023).
- SC semi-activo (Figura 1b): el supercondensador se acopla a través del convertidor y la batería va directa al bus. Mejora el aprovechamiento del SC para picos y rizados, pero la batería sigue expuesta a variaciones no reguladas de corriente de media frecuencia (Bonert, 2000).
- Batería semi-activa (Figura 1c): la batería es la que se conecta mediante el convertidor, mientras el SC va directo. Esta variante protege la batería frente a picos (al limitar su corriente y derivar transitorios al SC), con impacto positivo en su vida útil (Tremblay & Dessaint, 2009; Ramos et al., 2022).
Activos: ambos elementos se conectan mediante convertidores bidireccionales (arquitectura “paralelo activo”), habilitando control independiente de potencia y estado de carga (SoC) en cada rama y un reparto óptimo energía/potencia (Tuluhong et al., 2025).
- Topología paralela (Figura 1d): batería y SC con sus propios convertidores; el SC atiende transitorios rápidos, la batería cubre demandas sostenidas, y el control coordina el reparto (Lin et al., 2013; Lai et al., 2015; Liu et al., 2016; Erickson & Maksimović, 2020).
- Topología en cascada (Figura 1e): el SC entre batería y bus, actuando como “filtro” dinámico que aísla la batería de picos a costa de etapas adicionales de conversión y ligeras pérdidas de eficiencia (Wang et al., 2022).
Cada enfoque presenta compromisos entre costo, complejidad y rendimiento. Las configuraciones pasivas son idóneas donde se prioriza la simplicidad y robustez, como en microrredes remotas. Las activas son adecuadas para control preciso, y las semi-activas ofrecen un término medio (Figura 1).

Figura 1. Configuraciones de gestión de HESS en microrredes (Jing et al., 2017). a) Pasivo. b) SC semi-activo. c) Batería semi-activa. d) Activo paralelo. e) Activo serie.
El dimensionamiento de un HESS se apoya en tres métricas interrelacionadas: densidad de energía (Wh/kg o Wh/L), densidad de potencia (W/kg) y durabilidad/ciclos (Pérez-Aballe et al., 2025). El diagrama de Ragone que se muestra en la figura 2 resume el compromiso: las baterías ocupan el extremo energético, los supercondensadores el de potencia y otras tecnologías (volantes de inercia, sistemas hidro-neumáticos) se reparten según sus características físicas y de coste.
- Baterías (LFP): alta densidad energética (≈100–250 Wh/kg), eficiencia round-trip >90% y buen coste por kWh. Limitaciones ante potencia sostenida (C-rates altos → calentamiento y envejecimiento). El Sistema de gestión de energía (EMS) debe limitar corriente, gestionar térmicamente y planificar DoD/ciclos; conviene incorporar modelos de degradación para minimizar el LCOS.
- Supercondensadores: muy alta densidad de potencia (kW/kg), respuesta µs–ms y vida útil del millón de ciclos; ideales como buffer para picos/transitorios. Compensación: baja energía específica y mayor coste por kWh → uso complementario, no como almacenamiento principal.
- Volantes e hidro-neumáticos: alta potencia y durabilidad, pero con exigencias mecánicas/coste que restringen su aplicación a instalaciones estacionarias o de mayor escala.

Figura 2. Diagrama de Ragore para el análisis del almacenamiento de energía (Pérez-Aballe et al., 2025).
En HESS, baterías y supercondensadores se combinan porque ofrecen prestaciones complementarias: las baterías aportan energía (autonomía) pero tienen resistencia interna mayor y sufren con picos sostenidos; los SC aportan potencia (pulsos µs–ms) y alivian el estrés de la batería, alargando su vida útil. El rendimiento conjunto depende también de la topología (pasiva, semi-activa, activa), que define cómo se conectan y controlan ambos almacenadores (Pérez-Aballe et al., 2025).
En el modelado de la batería LFP se usa un equivalente tipo Thevenin ampliado como se muestra en la figura 3:
- Fuente de tensión controlada (VOC) en serie con Rs y dos ramas RC (R₁–C₁, R₂–C₂) que capturan la dinámica de difusión (sólido/electrolito).
- Estados: SoC, V₁, V₂. Entrada: corriente I. Salida: tensión terminal V_T.
- Dependencias: VOC y parámetros (Rs, R₁, C₁, R₂, C₂) varían con SoC, temperatura y sentido de la corriente.

Figura 3. Modelo eléctrico de las baterías de litio a través de una fuente de tensión controlada.
Modelado del supercondensador de doble capa (EDLC), estructurado por una doble capa con resistencia interna (ESR) muy baja y posible pseudo-capacitancia, por lo que la relación Q–V puede ser no lineal. En la práctica se modela con varias ramas RC para cubrir distintas constantes de tiempo.
-
Energía: ![]()
- Series/paralelo: en serie aumenta V admisible, pero disminuye la C equivalente; en paralelo aumenta C y corriente admisible.
- Retos de modelado: elegir el número de ramas RC, considerar o no C dependiente de V, y estimar constantes de tiempo y parámetros (identificación).
La bidireccionalidad se logra con los transistores funcionando en modo interruptores controlados (MOSFET/IGBT) y patrones de conmutación que habilitan modo reductor (buck) y modo elevador (boost) entre el bus DC y el almacenador. El half‑bridge bidireccional destaca por simplicidad y eficiencia en HESS.
— Buck (carga):VL= VbusD-VAlm; la corriente crece/disminuye según ciclo útil, duty D y diferencias de tensión.
— Boost (descarga): el inductor se energiza desde el almacenador y transfiere energía al bus; ΔiLaVDT/L.
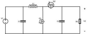
En la Figura 4 se muestra el modelo eléctrico del convertidor half-bridge no aislado.

Figura 4. Diagrama eléctrico del convertidor half-bridge.
2.1.1. Modo reductor
Según la Figura 5a), el interruptor Q1 está conduciendo y Q2 permanece bloqueado.

Figura 5. Convertidor Half-Bridge. Modo redactor. a) Q1-On, Q2-Off. b) Q1-Off, Q2-Off.
En estas condiciones, el circuito equivalente se rige por la ecuación (1). A partir de ella se obtiene la evolución temporal de la corriente del inductor, desarrollando el procedimiento mostrado en las ecuaciones de la 2 a la 4), hasta llegar a la expresión final de la ecuación (5), resultado del despeje e integración de las relaciones anteriores.
![]()
![]()
![]()
![]()
![]()
Según la Figura 5(b), Q1 y Q2 se encuentran en corte (ambos apagados). En estas condiciones, el circuito equivalente queda descrito por la ecuación (6), a partir de la cual se determina la evolución temporal de la corriente del inductor, siguiendo el desarrollo analítico correspondiente.
![]()
Teniendo en cuenta la ecuación anterior, se realiza el respectivo despeje hasta llegar a la ecuación 7, la cual es la respuesta deseada.
![]()
2.1.2. Modo elevador
En la Figura 6 se muestra el modelo del convertidor half-bridge operando en modo elevador (boost). En la figura 6(a), el interruptor Q1 conduce y Q2 permanece en corte; el circuito equivalente se establece a partir de la ecuación común (5). Con esta relación se desarrolla el análisis que, mediante las ecuaciones propuestas, obtiene la evolución temporal de la corriente del inductor a lo largo del intervalo de simulación.

Figura 6. Convertidor Half-Bridge. Modo elevador. a) Q1-On, Q2-Off. b) Q1-Off, Q2-Off.
Al realizar este procedimiento matemático, la respuesta obtenida es la que se muestra en la ecuación 8, la cual se observa que la variación de la corriente del inductor en el tiempo depende de la tensión de entrada, el ciclo de trabajo y el valor de la inductancia.
![]()
Ventajas: control fino de potencia, integración en paralelo activo y compatibilidad con droop/integral‑droop. Aquí se emplea PSIM para representar el half‑bridge y explorar escenarios.
2.2. Diseño del convertidor bidireccional, esquema y modos de operación (reductor/elevador)
En la figura 7 se muestra el convertidor bidireccional Half‑bridge con dos interruptores activos y diodos intrínsecos; PWM complementario con dead‑time (tiempo muerto entre activación de semiconductores).
Inductor L entre nodo medio y el almacenador (Valm); bus DC en lado superior.
Buck (carga):
![]()
Boost (descarga):
![]()
Estrategia en PSIM: duty D por objetivo de V/I; medición de iL para limitar rizado y evitar saturación; CI en batería/SC.

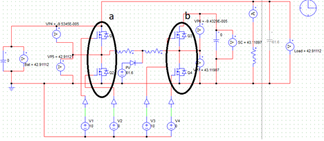
Figura 7. Esquema eléctrico de la simulación en el PSIM del modelo de convertidor DC-DC.
Objetivo de rizado: para P ≈ 3 kW yVbus ≈ 60 V → Iavg ≈ 50 A; fijar ΔiL ≤ 10 A (20%).
Inductancia L (peores casos):
- Buck (batería, VAlm= 33 V, D ≈ 0.55): L ≈ 74 µH
- Boost (batería, VAlm = 33 V, D ≈ 0.45): L ≈ 74 µH
- Buck (SC, VAlm = 48.6 V, D ≈ 0.81): L ≈ 46 µH
Selección: L=80 µH, núcleo gapped (entrehierro), Isat≥70 A; Ipk ≈ 55 A.
Capacitores: bus ΔV≤0.5% → Cbus≈1.0 mF (film+electrolítico + cerámicos). Lado almacenador: 100–220 µF + cerámicos.
Semiconductores: MOSFET 100 V low‑RDS(on); pérdidas Pcond ≈ Irms²·RDS(on); Psw≈0.5·V·I·(tr+tf)·fs.
Driver: bootstrap 100 V; Rg para dI/dt; dead‑time 100–200 ns; snubbers si hay sobreoscilaciones.
Medida y protección: sensor en L, NTC/PTC, OVP/UVP, limitación por ciclo.
Notas PSIM: paso 1–5 µs (fs = 20 kHz); registrar iL, Valm, Vbus y duty.
Herramienta: PSIM (demo). Modelos ideales con parámetros realistas y señales parasitarias mínimas.
Topología: half‑bridge entre bus DC y almacenador activo; inversor AC representado como carga equivalente en el bus (R–C). fs = 20 kHz; paso 1–5 µs (nominal 2 µs); PWM complementario con dead‑time (100–200 ns).
CI: Vbus,0 = 60 V; Vbat, 0∈ [36,38] V; VSC,0 = 48.6 V. Señales: iL, Vbus, Vbat, VSC, duty D, Pbus, Pbat, PSC.
Criterios: ΔVbus/Vbus ≤ 0.5 %; ΔiL ≤ 20 %·Iavg; Ipk < Isat; energía del SC suficiente. Buenas prácticas: registrar solo claves, usar CI por escenario y verificar estados estables previos a escalones.
Siete escenarios cuasi‑estacionarios (100–300 ms; medir tras 3–5 τL):
- E1 Carga de batería (buck)
- E2 Descarga de batería (boost)
- E3 Carga de SC (buck)
- E4 Descarga de SC (boost)
- E5 Suavizado PV→Bus con apoyo SC
- E6 Pico con soporte mixto (SC+bat)
- E7 Recarga del SC desde batería (buck)
Variables: Vbus, Vbat, VSC, IL, D, Pbus, Pbat, PSC; métricas de rizados, energías (∫p·dt) y picos de Ibat.
3. Resultados y análisis
3.1. Tensiones en batería, supercondensador y carga por escenario
En todos los casos se analizan: (I) rizado relativo de bus, (II) rizado de inductor, (III) continuidad de IL y (IV) potencias instantáneas. E1: Vbus ≈ 60 V, IL continuo, D ≈ 0.55–0.67. E2: D ≈ 0.45, Pbat positivo hacia bus. E3: VSC→48.6 V; ΔVbus bajo por Cbus. E4: SC atiende pulso; Vbus dentro del 0.5 %; VSC desciende según energía entregada. E5: SC aporta componente rápida; Δibat disminuye. E6: SC atiende frente y batería toma relevo; PSC→0 al final. E7: recarga del SC desde batería con límite de corriente y mínimo impacto en bus. En la tabla 1, se aprecian las características de cada etapa y los resultados más significativos para cada una. En la Figura 8, se muestran las tendencias del comportamiento de las tensiones en la batería, carga y supercapacitor.
Tabla 1. Resumen de resultado por escenario de funcionamiento
|
Escenario |
Flujo dominante |
ΔVbus |
ΔiL |
Resultado clave |
|
E1 |
Bus → Batería (buck) |
≤0.5% |
≤20% |
Carga estable, SOC↑ |
|
E2 |
Batería → Bus (boost) |
≤0.5% |
≤20% |
Soporte a carga, bus regulado |
|
E3 |
Bus → SC (buck) |
≤0.5% |
≤20% |
VSC a nominal, energía almacenada |
|
E4 |
SC → Bus (boost) |
≤0.5% |
≤20% |
Pulso atendido por SC, VSC↓ |
|
E5 |
PV/Bus con SC |
≤0.5% |
≤20% |
Suavizado de ibat |
|
E6 |
SC + Batería |
≤0.5% |
≤20% |
Entrega coordinada, traspaso suave |
|
E7 |
Batería → SC (buck) |
≤0.5% |
≤20% |
Recarga SC con impacto mínimo |

Figura 8. Comportamiento de las tensiones en la batería, carga y supercapacitor por escenario.
Los resultados confirman que el Supercapacitor absorbe/entrega la componente de la corriente de forma rápida, mientras la batería sostiene la energía media: rizados del bus ≤0.5 %, continuidad de iL y reducción de picos de Ibat. La selección L=80 µH y Cbus ≈ 1 mF es adecuada para 3 kW@60 V y fs = 20 kHz.
Limitaciones: estudio cuasi‑estacionario sin control completo; pérdidas térmicas y conmutación simplificadas; restricciones de PSIM demo.
Futuro: control de corriente/potencia con límites y anti‑windup; reparto SoC ‑dependiente; modelos térmicos; validación HIL.
Alcance: Estimación de costes de un prototipo funcional del convertidor bidireccional (3 kW @ 60 V, fs=20 kHz). Valores indicativos de mercado en euros (± 20–30 %).
|
Ítem |
Especificación |
Cant. |
Coste (€) |
Subtotal (€) |
||
|
MOSFET 100 V low‑RDS (on) |
Paralelo 2× por rama (4 ud) |
4 |
6–8 |
24–32 |
||
|
Driver high/low‑side |
Bootstrap 100 V, UVLO |
1 |
10–20 |
10–20 |
||
|
Inductor L |
80 µH, Isat ≥70 A (núcleo gapped + Litz) |
1 |
50–90 |
50–90 |
||
|
Capacitores bus |
Film + electrolítico + cerámicos (≈1 mF @ 63–80 V) |
1 set |
20–40 |
20–40 |
||
|
Sensor de corriente |
Hall 100 A o shunt Kelvin |
1 |
15–35 |
15–35 |
||
|
PCB potencia |
FR‑4, 4 capas, 2 oz Cu (≈100×100 mm) |
1 |
40–80 |
40–80 |
||
|
Disipación |
Disipador + ventilador |
1 |
25–45 |
25–45 |
||
|
Snubbers/RC/NTC/ |
Pasivos y conectores de potencia |
1 set |
20–35 |
20–35 |
||
|
Caja |
Carcasa metálica/plástica |
1 |
20–40 |
20–40 |
||
|
Costo total del convertidor: ~250–400 € (≈83–133 €/kW) |
||||||
4. Conclusiones
El estudio confirma la idoneidad de un convertidor half-bridge bidireccional para integrar un HESS batería–supercondensador en microrred FV, validando su desempeño en siete escenarios cuasi-estacionarios y proporcionando criterios prácticos de dimensionado y prototipado.
Control y bidireccionalidad. Se verificó operación estable en buck/boost con continuidad de iL y gestión fiable del flujo de potencia en ambos sentidos.
Desacoplo dinámico. El supercondensador absorbió/entregó la componente rápida, reduciendo picos de Ibat y manteniendo Vbus dentro del rizado objetivo.
Dimensionado y viabilidad. El conjunto L ≈ 80μH, Cbus ≈ 1 mF y MOSFET de 100 V a fs = 20 kHz cumplió rizados previstos y muestra viabilidad de prototipo (coste específico competitivo para laboratorio).
Ardi, H., Ahrabi, R.R., & Ravadanegh, S.N. (2014). Non-isolated bidirectional DC–DC converter: Analysis and implementation. IET Power Electronics, 7(12), 3033–3044. https://doi.org/10.1049/iet-pel.2013.0898
Eaton. (2023). XLR-48 Ultracapacitor Module: Datasheet. Eaton Corporation. https://www.eaton.com/us/en-us/catalog/energy-storage/xlr-48-ultracapacitor-module.html
Erickson, R.W., & Maksimović, D. (2020). Fundamentals of power electronics. Springer. https://doi.org/10.1007/978-3-030-43881-4
Faisal, M., Hannan, M.A., Ker, P.J., Hussain, A., Mansor, M.B., & Blaabjerg, F. (2018). Review of energy storage system technologies in microgrid applications: Issues and challenges. IEEE Access, 6, 35143–35164. https://doi.org/10.1109/ACCESS.2018.2841407
Infineon Technologies. (2017). AN-978: HV floating MOS-gate driver ICs (Application note). Infineon Technologies AG. https://www.infineon.com/dgdl/an-978.pdf
Jing, W., Lai, C., Wong, W.S. & Wong, M.L. (2017). Battery-supercapacitor hybrid energy storage system in standalone DC microgrids: a review. IET Renewable Power Generation, 11(4), 461–469. https://doi.org/10.1049/iet-rpg.2016.0500
Lai, C.M., Lin, Y.C., & Lee, D. (2015). Study and implementation of a two-phase interleaved bidirectional DC/DC converter for vehicle and DC-microgrid systems. Energies, 8(9), 9969–9991. https://doi.org/10.3390/en8099969
Lin, C.C., Yang, L.S., & Wu, G.W. (2013). Study of a non-isolated bidirectional DC–DC converter. IET Power Electronics, 6(1), 30–37. https://doi.org/10.1049/iet-pel.2012.0338
Liu, K.B., Yang, C.H., & Chang, E.C. (2016). Analysis and controller design of a universal bidirectional DC–DC converter. Energies, 9(7), 501. https://doi.org/10.3390/en9070501
Mohan, N., Undeland, T.M., & Robbins, W.P. (2003). Power electronics: Converters, applications, and design. Wiley.
Pérez-Aballe, O., Ruiz-Chavarría, G., Vázquez-Seis Dedos, L., & Columbié-Navarro, Ángel O. (2025). Diseño de convertidor DC/DC bidireccional dual para gestión de almacenamiento híbrido de energía en microrredes. Minería y Geología, 41(1), 83–101. https://revista.ismm.edu.cu/index.php/revistamg/article/view/2701
Pérez Aballe, O.R., Nicolas-Martin, C., González-García, J., Flores-Martín, P., & Santos-Martin, D.(2025). Sistema de Gestión de Energía en Microrred Eléctrica, con Almacenamiento Híbrido y Enfoque Multiobjetivo. Revista Politécnica, 56(1), 47–58. https://doi.org/10.33333/rp.vol56n1.04
Powersim. (2022). PSIM 2022 R2 user manual. Powersim Inc. https://powersimtech.com/resources/documentation/psim-user-manual/
Ramos, E., Del-Valle, Y., Santos-Canepa, R., & Loncoche-Cobarrubias, F. (2022). Hybrid energy storage systems: A review of filter-based methods for energy management. Electronics, 11(22), 3661. https://doi.org/10.3390/electronics11223661
Sutikno, T., Memon, A.A., Yusoff, A.M., & Jidin, A. (2023). Application of non-isolated bidirectional DC–DC converters. A review. Clean Energy, 7(2), 293–314. https://doi.org/10.1093/ce/zkad011
Tremblay, O., Dessaint, L A., & Dekkiche, A I. (2007). September). A generic battery model for the dynamic simulation of hybrid electric vehicles. In 2007 IEEE vehicle power and propulsion conference (pp. 284-289). Ieee. https://ieeexplore.ieee.org/abstract/document/4544139/
Tremblay, O., & Dessaint, L.A. (2009). Experimental validation of a battery dynamic model for EV applications. World Electric Vehicle Journal, 3(2), 289–298. https://doi.org/10.3390/wevj3020289
Tshiani, C.T., & Umenne, P. (2022). The characterization of the electric double-layer capacitor (EDLC) using a Python/MATLAB/Simulink hybrid model. Energies, 15(14), 5193. https://doi.org/10.3390/en15145193
Tuluhong, A., Furqan, M., Ni, K., Liu, Z., Yu, Y., & Xie, X. (2025). Recent developments in bidirectional DC-DC converters: A comprehensive review. Electronics, 14(18), 3816. https://doi.org/10.3390/electronics14183816
Wang, J., Lin, Y., He, C., Zhang, T., & Li, H. (2022). Review of bidirectional DC–DC converter topologies for hybrid energy storage system of new energy vehicles. Green Energy & Intelligent Transportation, 1, 100010. https://doi.org/10.1016/j.geits.2022.100010
Winston Battery. (2024). LiFePO4 LFP40AHA cell: Datasheet. Winston Battery Ltd. https://en.winston-battery.com/index.php/product/proshow-120.html
Zhang, C., Li, K., Deng, J., & Song, S. (2017). A comparative study of RC equivalent circuit models for Li-ion batteries. Applied Sciences, 7(10), 990. https://doi.org/10.3390/app7100990
Zubieta, L., & Bonert, R. (2000). Characterization of double-layer capacitors for power electronics applications. IEEE Transactions on Industry Applications, 36(1), 199–205. https://doi.org/10.1109/28.821816
Conflicto de intereses: Los autores declaran que no existen conflictos de intereses.
Contribución de autoría según taxonomía CRediT
Nancy Reynosa Casas: Investigación/Redacción/Diseño de la metodología
Yusbel Llorrente Cutiño: Logística/Tecnología/Software
Christian E. Borges Alvarez: Software
Yilena Paumier Leyva: Investigación/Revisión
Osmany R. Pérez Aballe: Conceptualización/Diseño/Investigación/Revisión